Home » Sponsored » Pi Speakers » My 3π adventure
My 3π adventure [message #95260] Fri, 18 February 2022 19:13 Go to next message
ppkstat is currently offline  ppkstat
Messages: 38
Registered: February 2022
Baron
Well this is definitely going to be a ride.

Here's the deal: I don't know how to build speakers. These are going to be my first ones but I am a fast learner and I tend to read a lot. I am going to built them with the B&C drivers. I managed to source 2 12PLB100s which is near impossible in Europe. Price is not half bad either I should have them in a couple of weeks if everything goes well. Most difficult part to source are going to be the waveguides I should get them somehow from Wayne.

I decided to start with the part that I am most familiar with which is designing the PCBs for the crossovers. They are going to be built with Jantzen Cross-caps, Jantzen 15ga Coils and a mixture of Dayton audio and Mundorf MRs for the resistors. I don't like the idea of surface-mounting through hole components, therefore I am going to mount these regularly and then use a thick EVA sheet to mount them to the cabinet (I am thinking something like a camping mat). I am seeing a whole lot of different versions of 3pi crossovers in the forums, I guess it went through different revisions. This is the version I found on the latest 3pi plans, I just hope I got the values right.

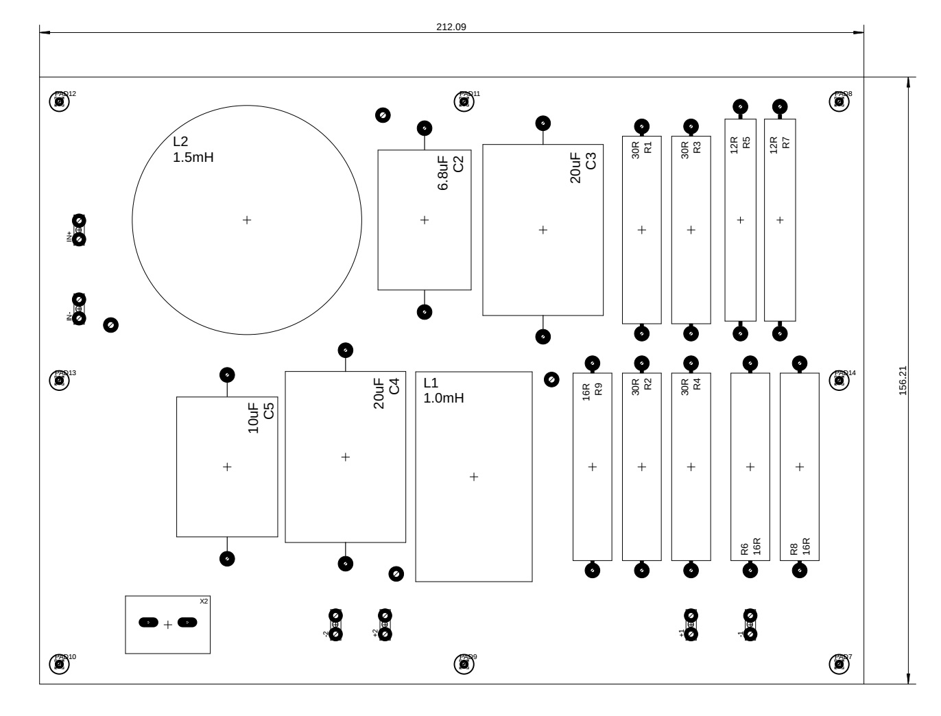
Here is the parts layout, dimensions are in mm. I won't be posting the schematics since I don't know if that's permitted. Connectors are going to be 6.3mm gold plated spade tab terminals for the drivers and the binding posts and there's also going to be a screw terminal for the Zobell resistor. I am a bit worried about coil interference, I spaced them a bit apart and used different orientations to minimize this. I really don't know how much of an issue this will be.

/forum/index.php?t=getfile&id=3018&private=0

That's all for the time being and I am sorry for my English, it's not my native language.
  • Attachment: crossover.jpg
    (Size: 135.14KB, Downloaded 1711 times)
Re: My 3π adventure [message #95261 is a reply to message #95260] Sat, 19 February 2022 10:45 Go to previous messageGo to next message
Wayne Parham is currently offline  Wayne Parham
Messages: 19024
Registered: January 2001
Illuminati (33rd Degree)

That layout looks good. The coils appear to be far enough apart and in different planes, so I think your crossover will be excellent!
Re: My 3π adventure [message #95305 is a reply to message #95260] Fri, 25 February 2022 18:27 Go to previous messageGo to next message
ppkstat is currently offline  ppkstat
Messages: 38
Registered: February 2022
Baron
The 12PLB100s are here! Good times!

/forum/index.php?t=getfile&id=3019&private=0

I wired them to do some quick testing with a function generator to see if they work. I even tried some music. This is the first time I am listening to a driver that is not enclosed. I almost burst out laughing, this is what disappointment must sound like.
Re: My 3π adventure [message #95306 is a reply to message #95305] Fri, 25 February 2022 18:52 Go to previous messageGo to next message
Wayne Parham is currently offline  Wayne Parham
Messages: 19024
Registered: January 2001
Illuminati (33rd Degree)

So glad you got your drivers! That's awesome!

But - yeah - you gotta get 'em in the boxes or they sound pretty thin.

No box, no bass. Laughing
Re: My 3π adventure [message #95362 is a reply to message #95306] Thu, 10 March 2022 17:47 Go to previous messageGo to next message
ppkstat is currently offline  ppkstat
Messages: 38
Registered: February 2022
Baron
First crossover is done! The second will soon follow.

/forum/index.php?t=getfile&id=3020&private=0
/forum/index.php?t=getfile&id=3021&private=0
By the way is there any way to test this with regular lab equipment? I connected a signal generator to an amp and connected it to the main terminals (IN+, IN-) and my scope to the tweeter/woofer terminals. The crossover seems to be working, it is attenuating or reducing the signal around 1Khz. The amplitude on the high frequencies appears to be lower than the lower frequencies but I am guessing that has to do with the load attached to the two groups of terminals (the Zobel was attached during testing). With my multimeter I am getting an open circuit across the IN+ and IN- terminals and exactly the same across 2+ and 2-. Across 1+ and 1- I am getting 12.1Ohms.



Re: My 3π adventure [message #95364 is a reply to message #95362] Thu, 10 March 2022 18:52 Go to previous messageGo to next message
Wayne Parham is currently offline  Wayne Parham
Messages: 19024
Registered: January 2001
Illuminati (33rd Degree)

From your description, it sounds like you have everything right. You really need to have the drivers connected - or at least 8Ω dummy loads - or the crossover filter circuits don't work right. The load has a large influence on the transfer function.

But the real test is an acoustic measurement of the assembled loudspeaker.
Re: My 3π adventure [message #95380 is a reply to message #95364] Tue, 15 March 2022 12:39 Go to previous messageGo to next message
ppkstat is currently offline  ppkstat
Messages: 38
Registered: February 2022
Baron
Both crossovers are now ready. They came out great, they're also aesthetically pleasing. Laughing

/forum/index.php?t=getfile&id=3022&private=0

With my limited knowledge I think they're working as supposed to. I connected 2 x 8Ohm 100W resistors (the regular type) across the woofer and tweeter outputs as a dummy load and did some testing. The function of the two boards is practically identical.

I am still surprised at how much the tweeter signal gets attenuated. I understand that this is to compensate for the difference in loudness between the two drivers. When fed with a 2V sine (P-P) at the crossover point (1KHz) I am getting a 1V sine at the woofer output and a 150mV signal from the tweeter! Naturally the tweeter signal increases in greater frequencies.

Re: My 3π adventure [message #95381 is a reply to message #95380] Tue, 15 March 2022 13:42 Go to previous messageGo to next message
Rusty is currently offline  Rusty
Messages: 1414
Registered: May 2018
Location: Kansas City Missouri
Illuminati (3rd Degree)
Paying as much attention to the professional look of your crossover modules. I'm looking forward to your execution of the cabinets. They should looks pretty nifty when done. If your familiar with Troels Gravesen of Denmark. https://www.youtube.com/watch?v=CYaikWl6IsY Your work so far reminds me of his excellent detail in craftsmanship. Keep the pics coming.
Re: My 3π adventure [message #95383 is a reply to message #95381] Tue, 15 March 2022 14:16 Go to previous messageGo to next message
ppkstat is currently offline  ppkstat
Messages: 38
Registered: February 2022
Baron
Many thanks for your kind words! I am very happy to see people are actually reading this thread!

Unfortunately I don't plan to do any cabinet construction myself. I don't have the tools nor the experience to do something like this. All I can do is to make really good plans and find someone experienced here to do the work. I will pay the utmost of attention in anything in which I am involved in their construction, don't worry Laughing

Now in contrast to woodworking, I've designed and built several PCBs. That's the reason these came out better than average. But bear in mind that I am pretty much a beginner and inexperienced in all this. This is the first crossover I assembled in my whole life!

Again many thanks for your interest. Btw your YouTube link is probably not what you indented to post. But yes, I've seen Gravesen's work before.
Re: My 3π adventure [message #95384 is a reply to message #95383] Tue, 15 March 2022 14:38 Go to previous messageGo to previous message
Rusty is currently offline  Rusty
Messages: 1414
Registered: May 2018
Location: Kansas City Missouri
Illuminati (3rd Degree)
God! Helen Reddy. Bet that was a head scratcher. No, that was in regards to all time bad music productions sent to a relative. I guess my copy memory had that hideous thing still there when I pasted. But great work on the fabrication of the crossovers. Tell your builder to look at the legitimate website.
http://www.troelsgravesen.dk/Diy_Loudspeaker_Projects.htm
For inspiration building the cabinets. And the Helen Reddy video for inspiration that music like that will never pass through it's assemblage. Whew!
Previous Topic: Precision engineering
Next Topic: 7 Pi plans
Goto Forum:
  


Current Time: Sun Apr 19 07:36:24 CDT 2026

Sponsoring Organizations

DIY Audio Projects
DIY Audio Projects
OddWatt Audio
OddWatt Audio
Pi Speakers
Pi Speakers
Prosound Shootout
Prosound Shootout
Miller Audio
Miller Audio
Tubes For Amps
TubesForAmps.com

Lone Star Audiofest