| Guitar Amp Project [message #88571] |
Sat, 04 August 2018 09:57  |
FL152
Messages: 29 Registered: April 2011
|
Chancellor |
|
|
Practice / recording combo guitar amp, one channel, smaller ("Tweed Champ") dimensions, 8" speaker. The goal was the "tube" sound on lower volume and power (3W).


Some photos during DIY:

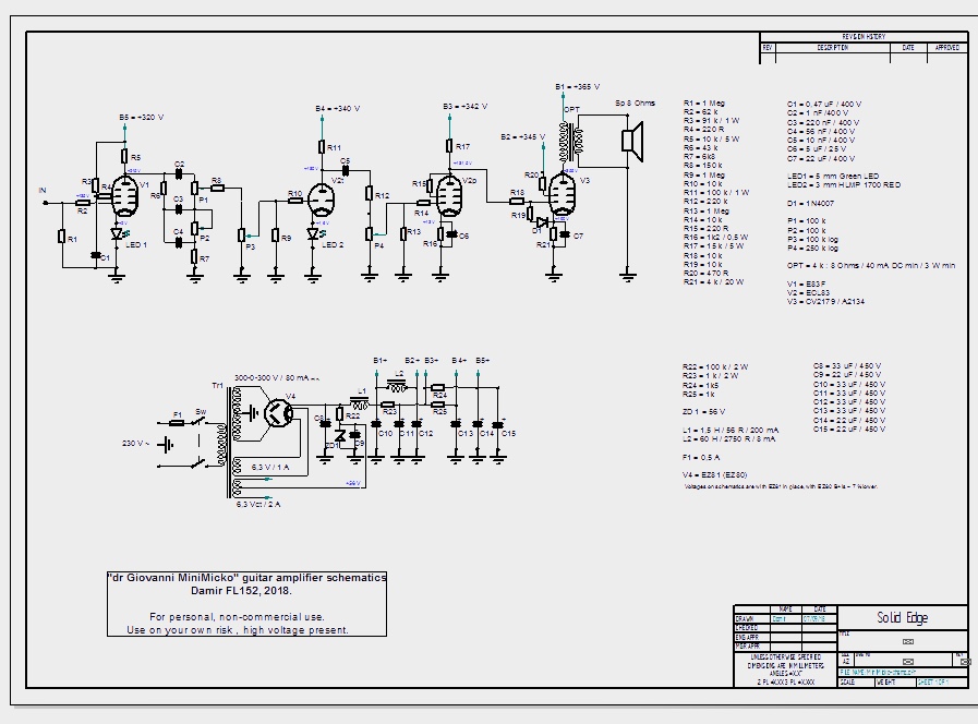
Schematics:

Higher resolution schematic in .pdf format is in the "Projects" files.
Some "standard" features - passive RC tone stack between preamp stages, SE output, tube rectifier. And some features less common in small guitar amps:
- tube complement aren't typical 12AX7/6V6 (or EL84), there are E83F, ECL83, CV2179/A2134 in audio department and (relatively) common EZ80 in rectifier part
- three preamp stages, 3rd stage ("driver") directly coupled to the output tube
- first stage high-S pentode E83F
- LED bias on first two preamp stages, wirewound anode resistors on V1 and V3, two chokes in the rectifier, lower value pots then typical ("historical") amps, oversized PT, OPT, chokes, etc.
- high quality parts: - output transformer Sowter SA01
- power transformer VTH12924 from VVT.uk
- carefull "mix" of carbon comp (Ohmite OF), carbon film (Kiwame, Amtrans AMRG), wirewound (Mills), tantalum (Shinkoh) resistors
- Jensen "paper in oil", NOS ERO KP & MKT, Siemens MKL capacitors
- Mundorf and F&T electrolytics in PS
- Jupiter 8" 8SC speaker
- NOS tubes (TFK, Mullard, GEC)
- teflon tube sockets
- wire mostly Kimber, Duelund, Cardas, etc - Cu and Ag
- pots Alps Blue Velvet
The level of noise (buzz, hiss, humm) is very low, although all the tubes are AC heated and mounted on small chasis with PT, OPT and 2 chokes closely together and to the speaker.
A- class amps, especially this DC-coupled type (R16 ! ) are known for the amount of heat produced. I used (Vox style) vent / grill opening, this amp is literally hot!
Initially, the amp was designed with EZ81 rectifier. In the end I used EZ80 - a bit smaller voltages and slightly different sound then with EZ81. This change isn't critical, amp "draws" about 73 mA when idling. Voltages on schematics are measured with EZ81 in place, EZ80 "gives" 5-7 % lower voltages tipically.
There're mp3 soundfiles in the link below, some random riffs with various guitars and pickup combinations. Recorded in my friend's studio (thank you, Žil!).

The recording chain:
Sennheiser MD421 microphone
Chandler REDD Mic Pre
Apogee Symphony II AD
And yes, the amp's name...it's an internal joke.😎
https://soundcloud.com/el5-2/sets/guitar-amp
|
|
|
|
|
|
| Re: Guitar Amp Project [message #91140 is a reply to message #88571] |
Mon, 11 November 2019 12:47  |
Kingfish
Messages: 571 Registered: November 2012
|
Illuminati (1st Degree) |
|
|
Very impressive my dude. You should get an extra cookie for including the schematics.
It also is a nice looking addition to all your other gear.
|
|
|
|