Home » Audio » Speaker » second array already in the works
Re: second array already in the works [message #60738 is a reply to message #60730] Tue, 01 September 2009 11:24 Go to previous messageGo to previous message
Villain3g is currently offline  Villain3g
Messages: 22
Registered: August 2009
Chancellor
What did you end up with for spacing on your tweeters. Seems like 30 wouldn't be long enough, especially when modified. Do tweeters line not have to be as long a woofer lines?

Do you have any pictures of arrays that you've built?

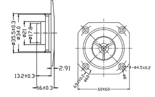
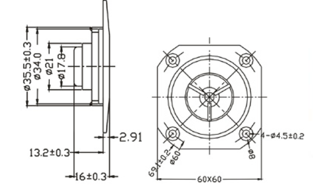
When looking at the technical drawing of the Tang Band 13-1264SA, it actually looks like they can be cut down to 21mm. What are your thoughts? index.php?t=getfile&id=55&private=0index.php?t=getfile&id=54&private=0
  • Attachment: untitled.bmp
    (Size: 624.08KB, Downloaded 3576 times)
  • Attachment: untitled2.bmp
    (Size: 683.17KB, Downloaded 3524 times)
 
Read Message
Read Message
Read Message
Read Message
Read Message
Read Message
Read Message
Read Message
Read Message
Read Message
Read Message
Read Message
Read Message
Read Message
Read Message
Read Message
Read Message
Previous Topic: Comb Filtering Misconceptions
Next Topic: Dedicated horn loaded mid -- big disappointment.
Goto Forum:
  


Current Time: Mon May 11 03:42:51 CDT 2026

Sponsoring Organizations

DIY Audio Projects
DIY Audio Projects
OddWatt Audio
OddWatt Audio
Pi Speakers
Pi Speakers
Prosound Shootout
Prosound Shootout
Miller Audio
Miller Audio
Tubes For Amps
TubesForAmps.com

Lone Star Audiofest